TF-N20F-10140 7.4V 31000rpm brush motor
Motor features:
low noise
Long motor life
High precision
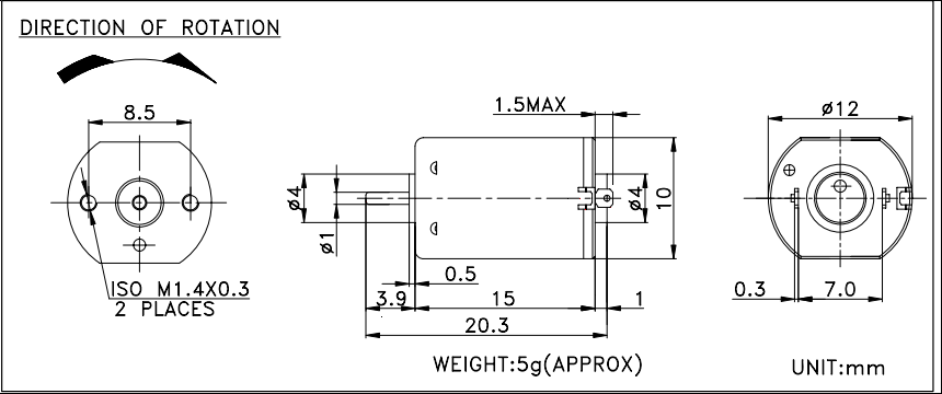
Model: TF-N20F-10140
Voltage: 1.5-9.0V
Weight: 5.0g (0.123 oz)
Motor Drawing:

CONDITION @ 7.4V | TYPE | VALUE | TOLERANCE |
NO LOAD | SPEED (rpm) | 31000 | ±15% |
CURRENT (A) | 0.05 | 0.07MAX | |
AT MAXIMUM EFFICIENCY | SPEED (rpm) | 26214 | ±15% |
CURRENT (A) | 0.27 | 0.33MAX | |
TORQUE(mN.m) | 0.42 | 0.34MIN | |
TORQUE (g.cm) | 4.32 | 3.46MIN | |
OUTPUT (W) | 1.16 | 0.93MIN | |
EEF (%) | 57.35 | 45.9MIN | |
STALL | TORQUE (mN.m) | 2.74 | 2.2MIN |
TORQUE (g.cm) | 28 | 22.4MIN | |
CURRENT (A) | 1.5 | 1.8MAX |
Motor characteristics curve:





























